名(míng)稱:山東昆明彩和(he)材料制造有限公(gōng)司(AI智能站)
地址:山(shan)東省臨沂市費縣(xiàn)探沂鎮
經濟開發(fa)區縱二路西側
電(dian)話:0539-8338848
手機:13455966866 / 13188710977
傳真:0539-8338848
郵編(biān):276000
郵箱:[email protected]
網址:http://www.lysx.cc


二、J43W法蘭針(zhen)型閥試驗标準: (單(dān)位Unit:MPa)
| 試驗項目TESTITEM | 壓力(li)值PRESSURE VALVE |
| 公稱壓力Nominal Pressure | 2.5 |
| 殼體(ti)試驗Shell Test | 3.7 |
| 密封試驗Test | 2.75 |
| 氣(qi)壓試驗Air Pressure Test | 0.9 |
| 适用溫度(dù)Suitable Temperatue | ≤180℃ |
| 适用介質Suitable Medium | 水、蒸汽(qi)、油品等Water,Steam,Oilgoods |
| 型号 TYPE | 閥(fá)體 BODY | 接頭 TIE-IN | 閥杆 VALVE HANDLE | 螺帽(mào) SCREW CAP | 填料 PACKING |
| J43H-25 | 20# | 20# | 2Cr13 | 20# | 柔性石墨、四(sì)氟 Leslble graphite |
| J43W-25P | 304SS | 304SS | 304SS | 304SS | 柔性石墨、四氟(fu) Leslble graphite |
| J43W-25R | 316SS | 316SS | 316SS | 316SS | 柔性石墨、四氟 Leslble graphite |
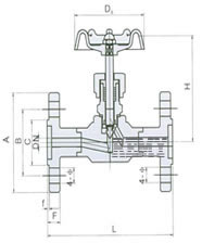
| 規格(ge) SPECIF ICATION | A | L | H | Do |
| DN10 | 90 | 130 | 90 | 60 |
| DN15 | 92 | 122 | 90 | 60 |
| DN20 | 105 | 150 | 105 | 80 |
| DN25 | 115 | 150 | 120 | 100 |
上一(yi)篇:卡套針型閥
下(xià)一篇:GMJ14F-高密封取樣(yang)閥針型閥