
| 一、産品說明(ming): 鑄鐵止回閥(fá)可分為升降(jiàng)式與旋啟式(shi)兩種,可根據(ju)實際情況選(xuǎn)用。本閥啟閉(bì)靈活,可水平(píng)定裝或垂直(zhí)安裝。閥瓣采(cǎi)用彈簧👉加載(zai)☂️,其快速關閉(bi)能有效地減(jian)小水錘💋壓力(li),密封性能好(hǎo),關閉無噪聲(sheng)。它具有體積(jī)小、重量輕、流(liú)體阻力小、耐(nài)疲勞、壽命長(zhang)等優點。 旋啟(qǐ)式鑄鐵止回(hui)閥【結構與特(te)點】 1、選材考究(jiū),符合國内、外(wài)相關标準,材(cai)料的全面質(zhi)量高📧。 2、密封副(fù)配對先進合(he)理,閥瓣、閥座(zuò)密封面采用(yòng)銅合金,耐腐(fǔ)蝕、抗🌈擦傷性(xing)能💘好,使用壽(shou)命長。 3、産品按(àn)國🐅家标準GB/T12235設(she)計制造。 4、可采(cǎi)用各種配管(guǎn)法蘭标準及(jí)法蘭密封型(xing)式,滿足各種(zhong)工程需要及(ji)用戶要求。 5、閥(fa)體♊材料品種(zhong)齊全,墊片可(kě)根據實際工(gong)況或用戶要(yào)求🧡合理選配(pèi),能⭐适🏃🏻用于各(gè)種壓力、溫度(dù)及介質工況(kuàng)。 可按用戶要(yao)求設計💞制造(zào)不‼️同結構形(xíng)式和連接形(xing)式的止回閥(fa),為各種設備(bèi)配套使用。 升(shēng)降式鑄鐵止(zhi)回閥【結構特(te)點】 1. 結構長度(dù)短,其結構長(zhǎng)度隻有傳統(tong)法蘭止回閥(fá)的1/4~1/8; 2. 體積小、重(zhong)量輕,其重量(liang)隻有傳統法(fǎ)蘭止回閥的(de)1/4~1/20; 3. 閥瓣關🏃🏻♂️閉快(kuài)速,水錘壓力(li)小✊; 4. 水平管道(dào)或垂直管道(dào)均🔅可使用,安(ān)裝方🔞便; 5. 對夾(jiá)升降式止回(huí)閥流道通暢(chàng)、流體阻力小(xiǎo)♻️; 6. 動作靈敏、密(mi)封性能好; 7. 閥(fá)瓣行程短、關(guan)閥沖擊力小(xiǎo); 8. 整體結構、簡(jian)單緊湊、造型(xing)美觀; 9. 使用壽(shòu)命⛷️長、可靠性(xing)高。 二(èr)、鑄鐵止回閥(fa)【性能規範】
三、鑄鐵止(zhǐ)回閥【主要零(ling)件材料】
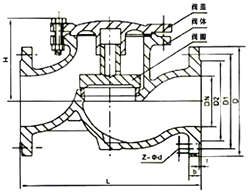
四、升降(jiang)式鑄鐵止回(hui)閥【外形尺寸(cùn)和連接尺寸(cun)】
五、鑄(zhu)鐵止回閥【性(xìng)能規範】
六、鑄(zhu)鐵止回閥【主(zhǔ)要零件材料(liao)】
七、H44T型鑄鐵(tiě)旋啟式止回(hui)閥【外形尺寸(cùn)和連接尺寸(cùn)】
| ||||||||||||||||||||||||||||||||||||||||||||||||||||||||||||||||||||||||||||||||||||||||||||||||||||||||||||||||||||||||||||||||||||||||||||||||||||||||||||||||||||||||||||||||||||||||||||||||||||||||||||||||||||||||||||||||||||||||||||||||||||||||||||||||||||||||||||||||
下一篇:BH44W夾(jiá)套保溫
返回首(shǒu)頁