
一、産品[水流指(zhǐ)示器]的詳細資料(liào):
産品型号:ZSJZ
産品名(ming)稱:水流指示器

:
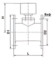
型号 | 公(gōng)稱通徑 | H | D1 | D2 | Φ | |
ZSJZ-I-3-50 | 50 | 160 | 160 | 150 | 18 | |
65 | 170 | 180 | 145 | 160 | 18 | |
ZSJZ-I-3-80 | 80 | 180 | 160 | 170 | 18 | |
ZSJZ-I-3-100 | 100 | 215 | 180 | 18 | ||
ZSJZ-I-3-125 | 125 | 207 | 210 | 190 | 18 | |
ZSJZ-I-3-150 | 150 | 220 | 280 | 240 | 200 | 23 |
上一篇:100X遙(yáo)控浮球閥
下一篇(pian):600X型水力電動控制(zhì)閥
返回(hui)首頁•
•
• ·•